
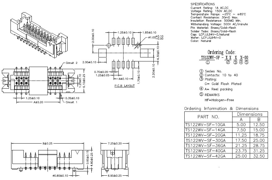
TS122WV-SF-XXXX-XX SMT 雙排 Vertical type 1.25 Wafer
Current Rating: 1A AC, DC
Voltage Rating: 150V AC, DC
Temperature Range: -25 deg C ~ +85 deg C
Contact Resistance: 30m Omega Max.
Insulation Resistance: 500M Omega Min.
Withstanding Voltage: 500V AC/minute


繁中

